2/3
時点_ポイント最大11倍
TRRLR330 トラスコ中山(株) TRUSCO ランナーロックピン(ノーマル・ストレート)
販売価格
466
円 (税込)
- 出荷目安:
- 1日~2日以内に発送予定(日曜除く)
たまるdポイント(通常) 4
+キャンペーンポイント(期間・用途限定) 最大10倍
※たまるdポイントはポイント支払を除く商品代金(税抜)の1%です。
※表示倍率は各キャンペーンの適用条件を全て満たした場合の最大倍率です。
各キャンペーンの適用状況によっては、ポイントの進呈数・付与倍率が最大倍率より少なくなる場合がございます。
dカードでお支払ならポイント3倍
各キャンペーンの適用状況によっては、ポイントの進呈数・付与倍率が最大倍率より少なくなる場合がございます。
- 商品情報
- レビュー
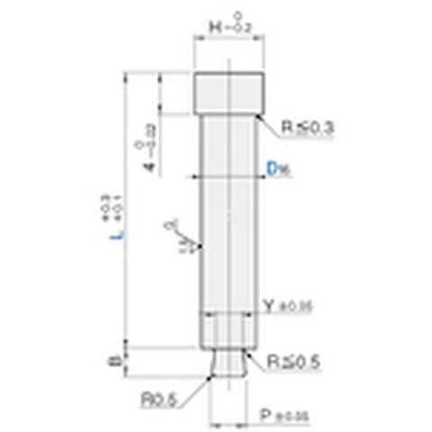
・成型品からランナーを切り離し、取り出すために使用します。・ノーマル・ストレートタイプ
・プラスチック金型の部品として。
・D(mm):3・H(mm):5・L(mm):30・B(mm):2・Y(mm):1.8・P(mm):2.3
・つば径ノーマル
・ハイス鋼SKH51(硬度59~61HRC)
・生産国 中国
・JANコード 4550414169375
・質量 2.100g
・コード:255-8113 ・品目:TRRLR330
・プラスチック金型の部品として。
・D(mm):3・H(mm):5・L(mm):30・B(mm):2・Y(mm):1.8・P(mm):2.3
・つば径ノーマル
・ハイス鋼SKH51(硬度59~61HRC)
・生産国 中国
・JANコード 4550414169375
・質量 2.100g
・コード:255-8113 ・品目:TRRLR330