2/3
時点_ポイント最大11倍
TRRLR670 トラスコ中山(株) TRUSCO ランナーロックピン(ノーマル・ストレート)
販売価格
574
円 (税込)
- 出荷目安:
- 1日~2日以内に発送予定(日曜除く)
たまるdポイント(通常) 5
+キャンペーンポイント(期間・用途限定) 最大10倍
※たまるdポイントはポイント支払を除く商品代金(税抜)の1%です。
※表示倍率は各キャンペーンの適用条件を全て満たした場合の最大倍率です。
各キャンペーンの適用状況によっては、ポイントの進呈数・付与倍率が最大倍率より少なくなる場合がございます。
dカードでお支払ならポイント3倍
各キャンペーンの適用状況によっては、ポイントの進呈数・付与倍率が最大倍率より少なくなる場合がございます。
- 商品情報
- レビュー
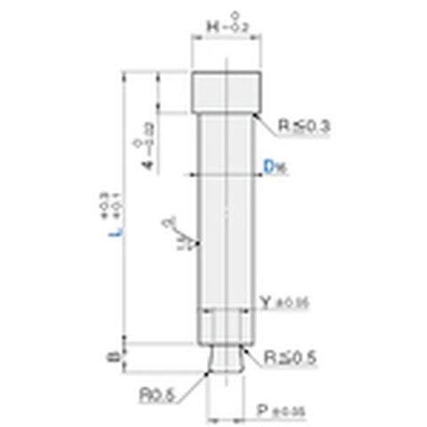
・成型品からランナーを切り離し、取り出すために使用します。・ノーマル・ストレートタイプ
・プラスチック金型の部品として。
・D(mm):6・H(mm):8・B(mm):3・Y(mm):3.0・L(mm):70・P(mm):3.8
・つば径ノーマル
・ハイス鋼SKH51(硬度59~61HRC)
・生産国 中国
・JANコード 4550414169689
・質量 19.800g
・コード:255-8152 ・品目:TRRLR670
・プラスチック金型の部品として。
・D(mm):6・H(mm):8・B(mm):3・Y(mm):3.0・L(mm):70・P(mm):3.8
・つば径ノーマル
・ハイス鋼SKH51(硬度59~61HRC)
・生産国 中国
・JANコード 4550414169689
・質量 19.800g
・コード:255-8152 ・品目:TRRLR670