3/25
時点_ポイント最大9倍
US6 インパクトレンチ用ソケット[3/4"][19.0]x55mm US0655 旭金属工業 工具 DIY レンチ ハンドツール 修理 作業用工具
販売価格
10,604
円 (税込)
送料込み
- 出荷目安:
- 店舗へお問い合わせください
たまるdポイント(通常) 96
+キャンペーンポイント(期間・用途限定) 最大8倍
※たまるdポイントはポイント支払を除く商品代金(税抜)の1%です。
※表示倍率は各キャンペーンの適用条件を全て満たした場合の最大倍率です。
各キャンペーンの適用状況によっては、ポイントの進呈数・付与倍率が最大倍率より少なくなる場合がございます。
dカードでお支払ならポイント3倍
各キャンペーンの適用状況によっては、ポイントの進呈数・付与倍率が最大倍率より少なくなる場合がございます。
- 商品情報
- レビュー
▼ 商品の仕様詳細はこちら

- ピン.Oリングで固定しますのでソケットの脱着を防ぎます。
- 六角ボルト・ナットの締結作業。

US6 インパクトレンチ用ソケット[3/4"][19.0]x55mm US0655 旭金属工業 工具 DIY レンチ ハンドツール 修理 作業用工具スペック
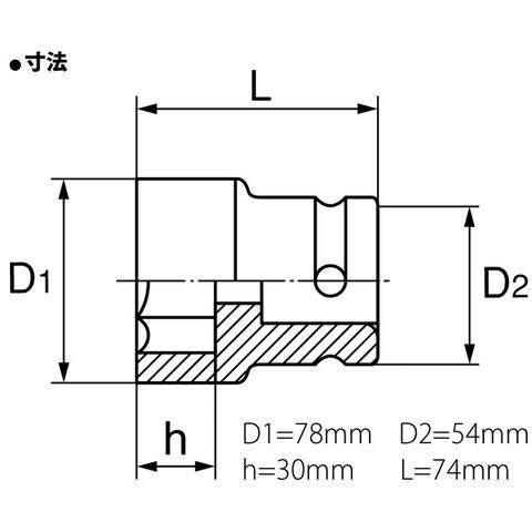
| 対辺寸法 | 55mm |
|---|---|
| 差込角 | 19mm |
| 全長 | 74mm |
| 質量 | 1310g |
| 材質 | SCM435 |
| 表面処理 | カチオン電着塗装 |
| その他 | JIS表示認定工場製 |
※仕様及び外観は改善のため、予告なく変更することがあります。
