5/10
時点_ポイント最大16倍
USL4 インパクトレンチ用ロングソケット[1/2"][12.7]x26mm USL0426 旭金属工業 工具 DIY レンチ ハンドツール 修理 作業用工具
販売価格
2,160
円 (税込)
- 出荷目安:
- 店舗へお問い合わせください
たまるdポイント(通常) 19
+キャンペーンポイント(期間・用途限定) 最大15倍
※たまるdポイントはポイント支払を除く商品代金(税抜)の1%です。
※表示倍率は各キャンペーンの適用条件を全て満たした場合の最大倍率です。
各キャンペーンの適用状況によっては、ポイントの進呈数・付与倍率が最大倍率より少なくなる場合がございます。
dカードでお支払ならポイント3倍
各キャンペーンの適用状況によっては、ポイントの進呈数・付与倍率が最大倍率より少なくなる場合がございます。
- 商品情報
- レビュー
▼ 商品の仕様詳細はこちら

- ピン.Oリングで固定しますのでソケットの脱着を防ぎます。
- 狭い箇所にも使用しやすいロングタイプです。
- 六角ボルト・ナットの締結作業。

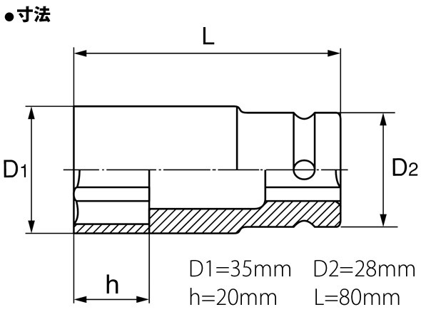
USL4 インパクトレンチ用ロングソケット[1/2"][12.7]x26mm USL0426 旭金属工業 工具 DIY レンチ ハンドツール 修理 作業用工具スペック
| 対辺寸法 | 26mm |
|---|---|
| 差込角 | 12.7mm |
| 全長 | 80mm |
| 質量 | 270g |
| 材質 | SCM435 |
| 表面処理 | クロムメッキ |
| その他 | JIS表示認定工場製 |
※仕様及び外観は改善のため、予告なく変更することがあります。








